Cart
Custom content

This is custom content

Caleffi Riduttore di pressione di secondo stadio, con cartuccia estraibile 3/4" con attacco manometro 1/4" 536055

159,00 €
iva inclusa
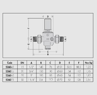
Riduttore di pressione di secondo stadio, con cartuccia estraibile. Attacchi maschio a bocchettone. Con manometro inox in bagno di glicerina: 0–10 bar.

Dati tecnici

Pressione massima a monte25 bar
Campo di temperatura del fluido2–40 °C
Campo di regolazione della pressione0,5–6 bar
Pressione nominalePN 40
Materialeottone antidezincificazione DR
Ultimi articoli in magazzino Quantità
Aggiungi ai preferiti

Caleffi Riduttore di pressione di secondo stadio, con cartuccia estraibile 3/4" con attacco manometro 1/4" 536055

I riduttori di pressione sono dei dispositivi che, installati sulla rete idrica privata, riducono e stabilizzano la pressione in entrata dalla rete pubblica. Tale pressione in ingresso, in genere, risulta troppo elevata e variabile per uno sfruttamento corretto degli impianti domestici. Caratteristica fondamentale, per un riduttore di pressione di qualità, è quella che consente di mantenere una pressione a valle costante, al variare della pressione a monte. Riduttore di pressione di secondo stadio, con cartuccia estraibile. Attacchi maschio a bocchettone. Con manometro inox in bagno di glicerina: 0–10 bar. Attacco: R 3/4" (EN 10226-1) M, bocchettone. Pressione massima a monte: 25 bar. Campo di temperatura del fluido: 2–40 °C. Campo di regolazione della pressione: 0,5–6 bar. Pressione nominale: PN 40. Materiale: ottone antidezincificazione DR. Caratteristiche tecniche e costruttive Materiali
  • Corpo: lega antidezincificazione
  • EN 1982 CC770S
  • Coperchio: ottone EN 12165 CW617N
  • Asta comando: lega antidezincificazione EN 12164 CW602N
  • Parti mobili: acciaio inox EN 10088-3 (AISI 303)
  • Membrana: NBR
  • Tenute: EPDM
  • Filtro: acciaio inox EN 10088-2 (AISI 304)
  • Sede: acciaio inox EN 10088-3 (AISI 303)
  • Cartuccia: EN 12165 CW617N
  • Tappo presa di pressione: lega antidezincificazione EN 12164 CW602N
Fluido di impiego: acqua
536055
Nuovo

12 altri prodotti della stessa categoria: